稱重(zhòng)傳感器
産品時間(jiān):2025-12-01
簡要描述:
稱重傳(chuan)感器該傳感器彈(dan)性體采用剪切或(huò)彎曲懸臂梁結👣構(gòu),一端固定,一端受(shou)力,外形高度低,結(jié)構強✏️度高,可用于(yu)各⛱️種拉伸力或壓(yā)縮力的承載和測(cè)量。具有:防塵密封(feng)、量程範圍廣、精度(du)高、性能穩定可靠(kào)⭐、安裝使用方便等(deng)特點。
稱重傳感器 廣州(zhou)稱重傳感器 ,稱重(zhòng)系統
特點與(yu)用途
該傳感(gan)器彈性體采用剪(jian)切或彎曲懸臂梁(liáng)結構,一端🌈固定,一(yi)端受力,外形高度(du)低,結構強度高,可(kě)用于各種拉伸力(lì)或壓縮力的承載(zǎi)和測量。具有:防塵(chén)密封、量程範圍廣(guang)、精度高、性能穩定(ding)可靠♈、安裝使用方(fāng)便等特點。
适(shì)用于電子秤、衡器(qi)等各種測力、稱重(zhòng)的工業自動🔴化測(cè)量控制系統。
|
量 程 |
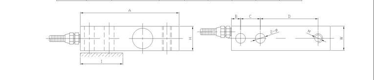
A |
B |
C |
D |
W |
H |
M |
2-Ф |
I |
|
50kg~2t |
130 |
12 |
26 |
76 |
32 |
32 |
M12× 1.75 |
Ф 13 |
55 |
|
2.5t~5t |
171.5 |
19.1 |
38.1 |
95.3 |
38.1 |
38.1 |
M18× 1.5 |
Ф 19.5 |
76 |
|
6t~10t |
225.6 |
25.4 |
50.8 |
122.9 |
50.8 |
50.8 |
M30× 2 |
Ф 26.4 |
105 |
技(jì)術指标
|
參 數 |
單 位(wei) |
技術參數 |
參 數 |
單(dan) 位 |
技術參數 |
|
靈敏(mǐn)度 |
mV/V |
2.0±0.05 |
靈敏度溫度系(xì)數 |
≤%F·S/10℃ |
±0.03 |
|
非線性 |
≤%F·S |
±0.03 |
工作溫(wēn)度範圍 |
℃ |
-20℃~+80℃ |
|
滞 後 |
≤%F·S |
±0.03 |
輸入(ru)電阻 |
Ω |
350±20Ω |
|
重複性 |
≤%F·S |
±0.02 |
輸出(chu)電阻 |
Ω |
350±5Ω |
|
蠕 變 |
≤%F·S/30min |
±0.03 |
安全過(guo)載 |
≤%F·S |
150%F·S |
|
零點輸出 |
≤%F·S |
±1 |
絕緣(yuan)電阻 |
MΩ |
≥5000MΩ(50VDC) |
|
零點溫度系(xi)數 |
≤%F·S/10℃ |
±0.03 |
推薦激勵電壓(ya) |
V |
10V~15V |
下一(yi)篇:LWS液體純水渦輪(lun)流量計